Authors: S.Ashok, Ambarish Narendran, Keethana Sai Gazula
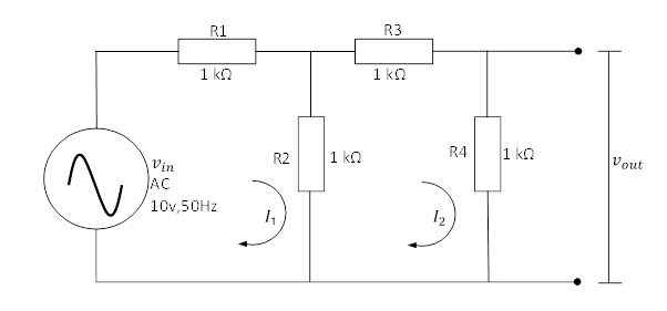
A 10VAC power supply with a frequency of 50 Hz is used. The resistors are arranged in a combination of series and parallel or Cascaded Voltage Divider. Our objective is to determine the output voltage VOUT of the circuit. We can solve the circuit using various methods such as Mesh analysis, Thevenin’s theorem, Cramer’s rule and even by deriving transfer function. These are the key learning outcomes from this blog.

Mesh Analysis
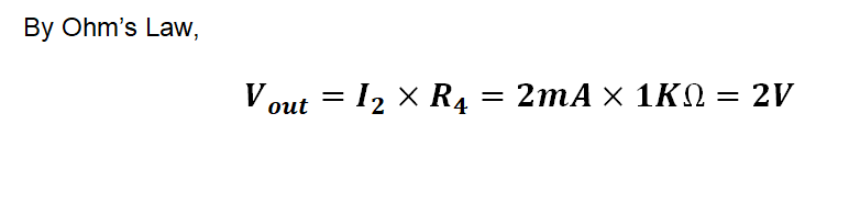
Mesh analysis is solved with help of Kirchhoff’s current law by make it as algebraic equations, then by cancelling the common term and VOUT is found by ohm’s law.



Thevenin Analysis
For solving by Thevenin’s theorem, first we need to find RTH, it can be found by removing the power source then finding the voltage across the 1kΩ resistor and then calculating total resistance.
Finding RTH



